详情
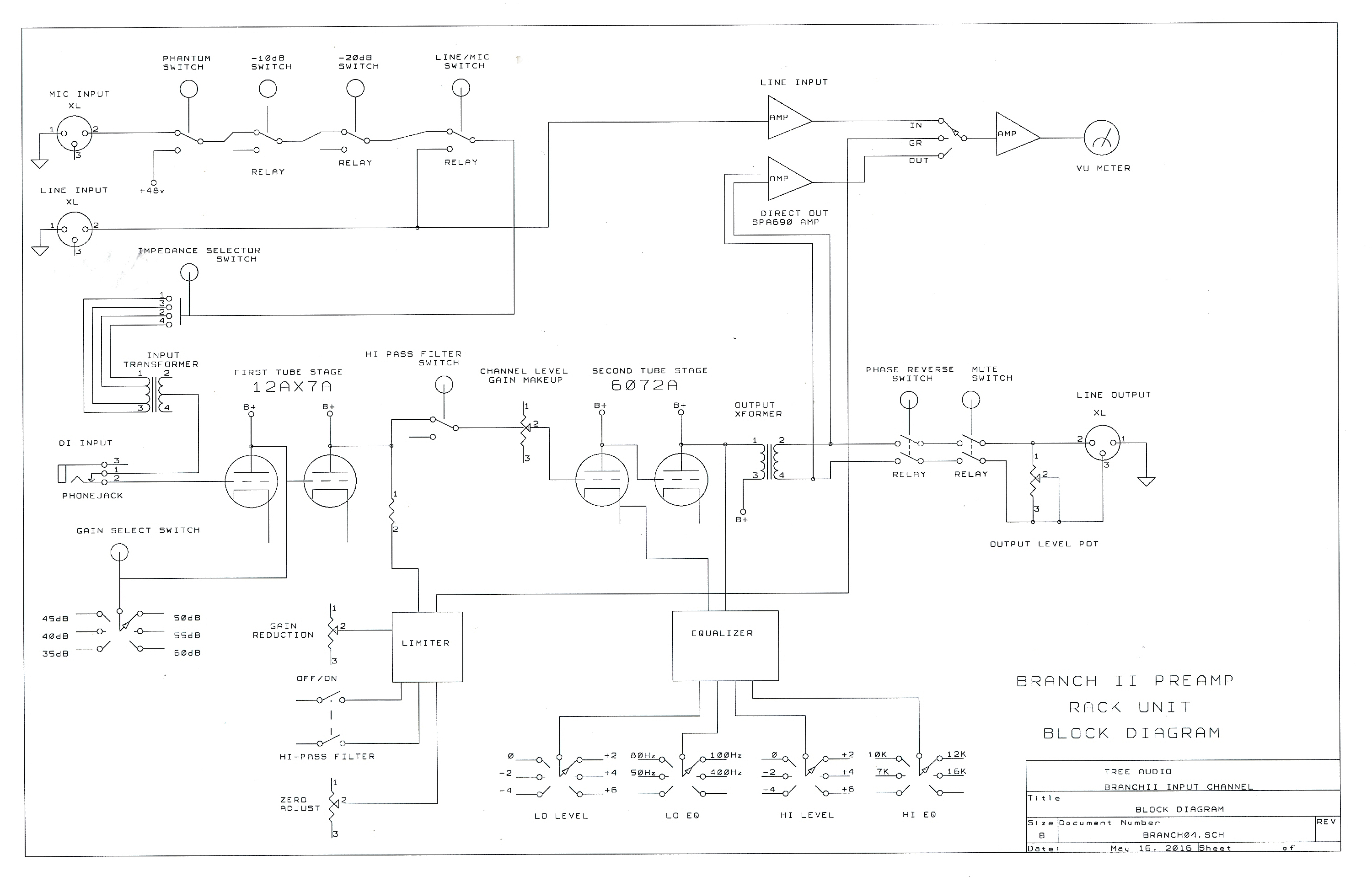
Tree Audio The Branch II 电子管通道条,它是The Roots控制台的独立通道条版本
你需要的切,可能就是Tree Audio的Branch!它是The Roots控制台的独立通道条版本,采用了内部稳压电源,与The Roots的功能完全样。Branch 可以带去更远的地方。如果你只需要两条通道,它就是你要找的。它的操作简单,音质出色。
特点
全电子管通道条:
与The Roots控制台同样高品质的声音和电路
话筒前/线路输入/直接输入(乐器输入)
EQ和限制器
参数
80Hz、125Hz、250Hz高通滤波器
可变增益选择
输出电平旋钮
输入阻抗选择 - 37.5、150、600 Ohm
前面板功能(从左到右)
直接输入/电平旋钮/EQ:50Hz、100Hz、400Hz
EQ(高频):电平7k、10k、12k、16k/限制器开关(开关250Hz高通滤波器)
增益衰竭电平(限制器)
线路、话筒、话筒相位反转开关/预衰减开关(关、-10、-20dB)
静音开关/48V幻象电源开关/数表选择(输入、增益衰减、输出)
定制的输入输出变压器
整个设备占据3个机架位
包括电子管和线性稳压电源
运输尺寸。
1箱:24 "x14 "x8"
总重量:24磅
商品问题
No Questions




